HGP-33A增压齿轮油泵双联液压齿轮泵
原理:齿轮泵
用途:增压泵
驱动方式:电动
叶轮数目:多齿
材质:铸铝
泵轴位置:边立式
流量:4.6~6.8kg
重量:1.7-1.74KG
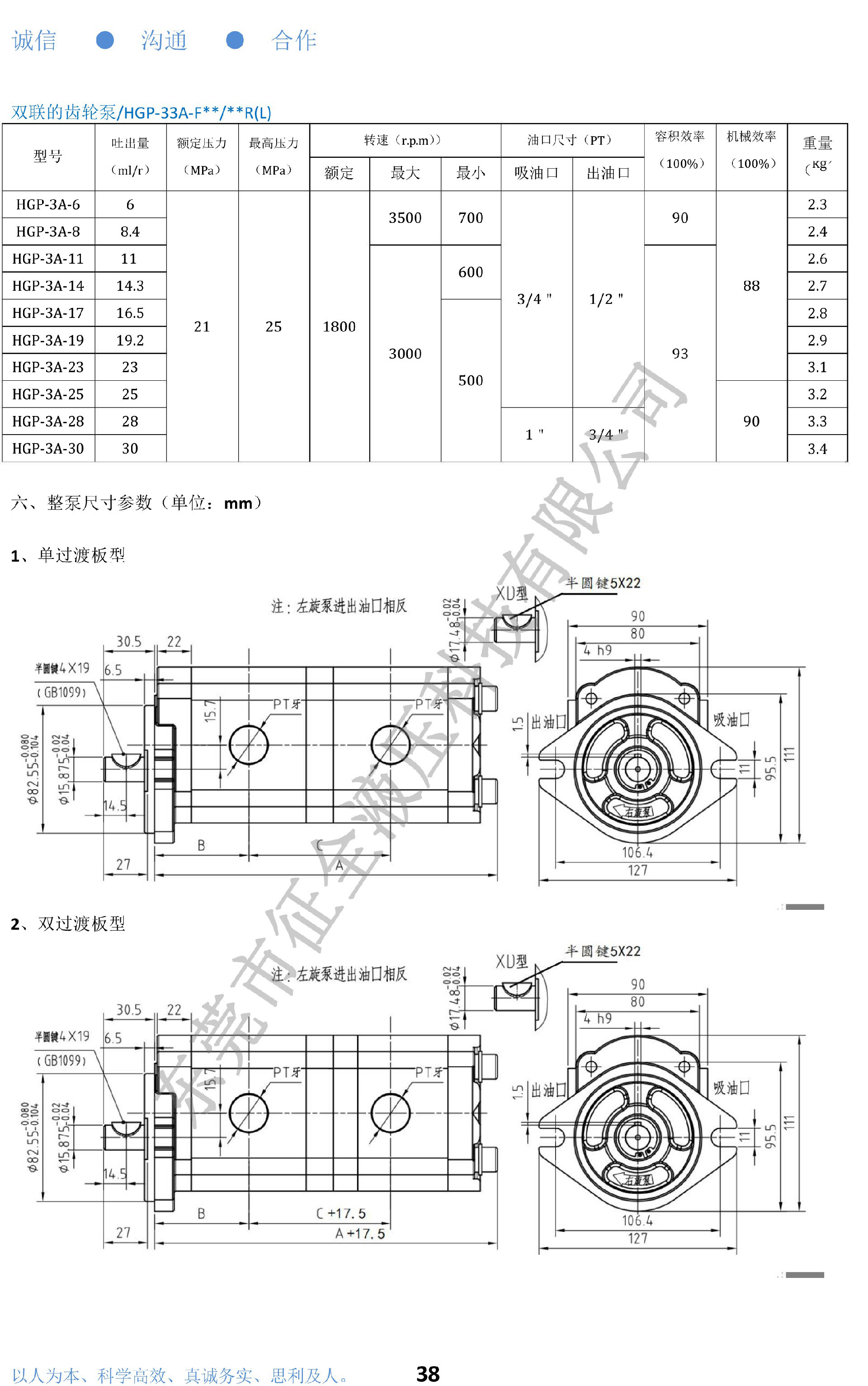
型号:HGP-33A-F17/17R
规格:
HGP-33A-F6/6R,HGP-33A-F8/8R,HGP-33A-F11/11R,HGP-33A-F14/14R,HGP-33A-F17/17R,HGP-33A-F19/19R,HGP-33A-F23/23R,HGP-33A-F25/25R,HGP-33A-F28/28R,HGP-33A-F30/30R,其他组合联系客服
中文
English







